Over 300,000 customers - we say thank you!

40,000+ products for hunting and shooting sports

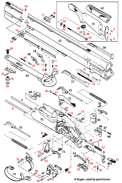
Explore detailed diagrams and parts lists for the Ruger Red Label over/under shotguns with serial number prefixes 401, 411, and 420 for accurate repairs and maintenance.

Ruger® Red Label O/U S/N Prefix 401/411/420 Schematic - Your Guide to Precision

Welcome to the Ruger® Red Label O/U Schematic page! Here, you will find detailed schematics specifically designed for the Ruger® Red Label Over/Under shotguns with serial number prefixes 401, 411, and 420. These schematics are invaluable resources for gunsmiths, enthusiasts, and anyone looking to understand the intricate components of their firearm. Each schematic provides a clear visual representation of the shotgun's assembly, enabling users to identify parts, troubleshoot issues, and perform maintenance with confidence. Explore our comprehensive diagrams and enhance your knowledge of this exceptional shotgun model.

Ruger® Red Label O/U S/N Prefix 401/411/420



Ruger® Red Label O/U S/N Prefix 401/411/420 Schematic


Ruger® Red Label O/U S/N Prefix 401/411/420
Click on a red number to view more information on that item and to add that factory part to your shopping cart. Select "SKU Listing" to see all stock numbers for this schematic.

Ruger® Red Label O/U S/N Prefix 401/411/420 Parts


Back to top