Over 300,000 customers - we say thank you!

40,000+ products for hunting and shooting sports

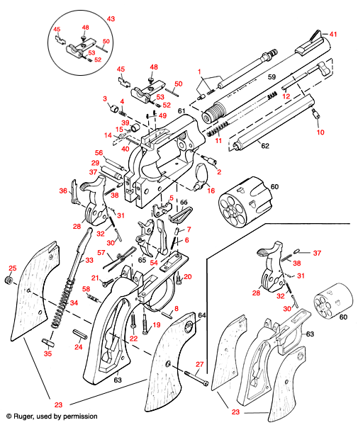
Explore detailed diagrams and parts lists for the Ruger Super Blackhawk Hunter, facilitating easy identification and maintenance of components for enthusiasts and armorer professionals.

Ruger® Super Blackhawk Hunter Schematic - Explore the Heart of Precision

Welcome to the Ruger® Super Blackhawk Hunter Schematic page, where you can find detailed schematics for one of the most iconic revolvers in the Ruger® lineup. This page provides a comprehensive visual guide that showcases the intricate components and assembly of the Super Blackhawk Hunter. Whether you're a gunsmith, a firearms enthusiast, or simply looking to understand your revolver better, this schematic will serve as a valuable resource. Navigate through the various parts and diagrams to gain insights into the functionality and maintenance of your firearm, ensuring optimal performance and longevity.

Ruger® Super Blackhawk Hunter



Ruger® Super Blackhawk Hunter Schematic


Ruger® Super Blackhawk Hunter
Click on a red number to view more information on that item and to add that factory part to your shopping cart. Select "SKU Listing" to see all stock numbers for this schematic.

Ruger® Super Blackhawk Hunter Parts


Back to top