Over 300,000 customers - we say thank you!

40,000+ products for hunting and shooting sports

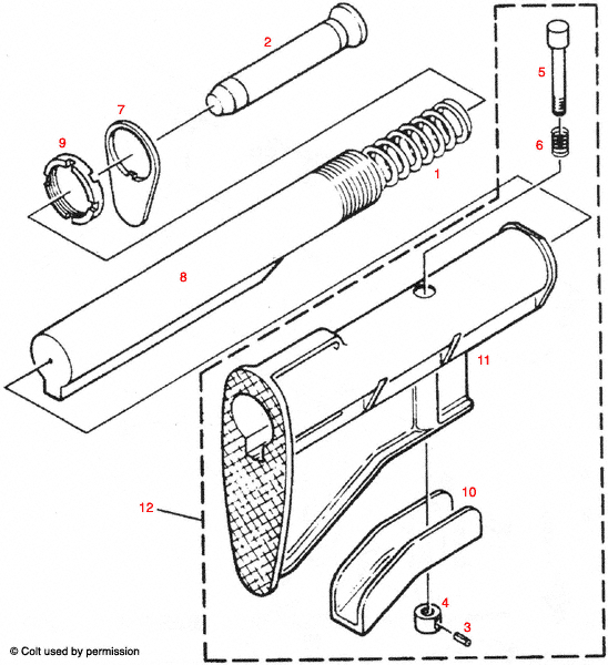
This schematic provides detailed illustrations and parts breakdown for the Colt AR-15 sliding buttstock assembly, aiding in maintenance and assembly tasks.

Colt® AR-15 Sliding Buttstock Assembly Schematic - Explore the Mechanics of Precision

This page provides a detailed schematic of the Colt® AR-15 Sliding Buttstock Assembly, a crucial component for ensuring optimal performance and comfort in your rifle setup. Here, you will find high-quality diagrams and illustrations that clearly depict the assembly's parts and their configurations. Whether you're a seasoned gunsmith or a novice enthusiast, this resource will assist you in understanding the intricacies of the sliding buttstock assembly. Gain insights into assembly procedures, maintenance tips, and troubleshooting techniques to enhance your knowledge and skills. Explore the schematic to ensure your Colt® AR-15 operates at its best.

Colt® AR-15 Sliding Buttstock Assembly



Colt® AR-15 Sliding Buttstock Assembly Schematic


Colt® AR-15 Sliding Buttstock Assembly
Click on a red number to view more information on that item and to add that factory part to your shopping cart. Select "SKU Listing" to see all stock numbers for this schematic.

Colt® AR-15 Sliding Buttstock Assembly Parts


Back to top