Over 300,000 customers - we say thank you!

40,000+ products for hunting and shooting sports

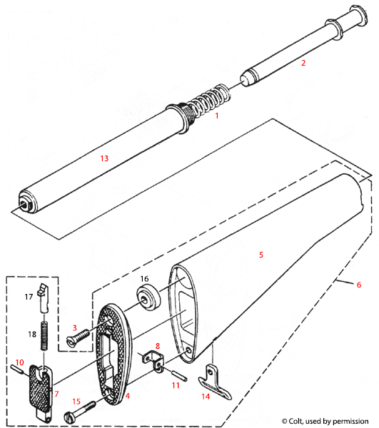
Explore detailed diagrams and parts lists for the Colt AR-15 buttstock assembly, essential for maintenance and assembly of this iconic rifle component.

Colt® AR-15 Buttstock Assembly Schematic - Explore the Mechanics of Precision

This page provides a detailed schematic for the Colt® AR-15 Buttstock Assembly, an essential component for rifle enthusiasts and gunsmiths. Here, you can find a comprehensive illustration that outlines the various parts and their arrangement within the buttstock assembly. The schematic serves as a valuable resource for understanding the assembly's structure, facilitating repairs, and enhancing your knowledge of the Colt® AR-15 platform. Whether you're a seasoned professional or a hobbyist, this guide will assist you in achieving optimal performance and maintenance of your firearm. Explore the intricacies of the assembly and ensure your rifle operates smoothly and efficiently.

Colt® AR-15 Buttstock Assembly



Colt® AR-15 Buttstock Assembly Schematic


Colt® AR-15 Buttstock Assembly
Click on a red number to view more information on that item and to add that factory part to your shopping cart. Select "SKU Listing" to see all stock numbers for this schematic.

Colt® AR-15 Buttstock Assembly Parts


Back to top