Over 300,000 customers - we say thank you!

40,000+ products for hunting and shooting sports

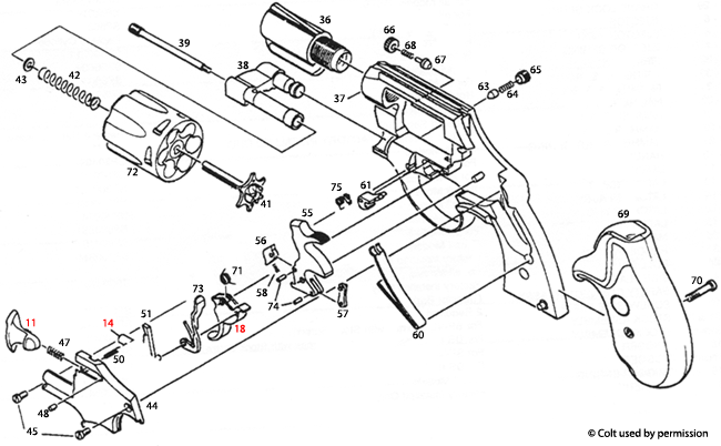
Explore detailed diagrams and parts lists for the Colt SF-VI revolver, providing essential information for maintenance and repair enthusiasts.

Colt® SF-VI Schematic - Precision in Every Detail

Discover the comprehensive Colt® SF-VI Schematic, a vital resource for enthusiasts and professionals alike. This page provides a detailed schematic diagram of the Colt® SF-VI revolver, showcasing its intricate components and assembly. Whether you are a gunsmith seeking to understand the inner workings or a collector aiming to maintain your firearm, this schematic serves as an essential guide. Explore the labeled parts and their functions, ensuring you have the necessary knowledge to handle repairs and maintenance with confidence. Uncover the craftsmanship that makes the Colt® SF-VI a remarkable piece of engineering.

Colt® SF-VI



Colt® SF-VI Schematic


Colt® SF-VI
Click on a red number to view more information on that item and to add that factory part to your shopping cart. Select "SKU Listing" to see all stock numbers for this schematic.

Colt® SF-VI Parts


Back to top