Over 300,000 customers - we say thank you!

40,000+ products for hunting and shooting sports

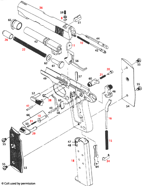
Explore detailed diagrams and parts lists for Colt® 380 models, providing essential information for maintenance and repair of these autoloading pistols.

Colt® 380 Models Schematic - Precision at Your Fingertips

Welcome to the Colt® 380 Models Schematic page! Here, you will find detailed schematics for Colt® 380 autoloading pistols, designed to assist both enthusiasts and professionals in understanding the intricate workings of these firearms. Our schematics provide clear illustrations and comprehensive part lists, ensuring you can easily identify components and their functions. Whether you are performing maintenance, repairs, or simply exploring the mechanics of your Colt® 380, this resource is invaluable. Navigate through our user-friendly layout to access the information you need and enhance your knowledge of Colt® firearms.

Colt® 380 Models



Colt® 380 Models Schematic


Colt® 380 Models
Click on a red number to view more information on that item and to add that factory part to your shopping cart. Select "SKU Listing" to see all stock numbers for this schematic.

Colt® 380 Models Parts


Back to top