Over 300,000 customers - we say thank you!

40,000+ products for hunting and shooting sports

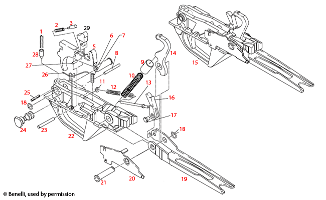
Explore the detailed diagram of the trigger assembly for the Benelli Super Black Eagle II shotgun, showcasing all components and their configurations for maintenance and repair.

Benelli U.S.A.® Super Black Eagle II Trigger Assembly Schematic - Precision at Your Fingertips

Explore the intricate details of the Benelli U.S.A.® Super Black Eagle II Trigger Assembly through our comprehensive schematic. This page provides a clear and detailed illustration of the trigger assembly, enabling enthusiasts and professionals alike to understand the essential components and their functions. Whether you're performing maintenance, repairs, or upgrades, this schematic serves as a valuable resource. With precise labeling and an organized layout, you can easily identify each part, ensuring your shotgun remains in optimal condition. Empower your knowledge and enhance your shooting experience with this essential guide.

Benelli U.S.A.® Super Black Eagle II Trigger Assembly



Benelli U.S.A.® Super Black Eagle II Trigger Assembly Schematic


Benelli U.S.A.® Super Black Eagle II Trigger Assembly
Click on a red number to view more information on that item and to add that factory part to your shopping cart. Select "SKU Listing" to see all stock numbers for this schematic.

Benelli U.S.A.® Super Black Eagle II Trigger Assembly Parts


Back to top